在輸配電網中,新能源的大量接入,大容量的電力電子設備等非線性負荷和沖擊負荷的廣泛應用,帶來了嚴重的電能質量問題,使用FGSVG高壓動態無功補償裝置,可以顯著地改善負荷與公共電網連接點處的電能質量,例如提高功率因數、克服三相不平衡、消除電壓閃變和電壓波動、抑止諧波污染等。
FGSVG高壓動態無功補償裝置,于2013年被發改委列為重大技術產業化項目;2014年榮獲賽爾傳媒 “電能質量品牌”獎項;2015年,35kV直掛式FGSVG裝置被科技部列為火炬計劃產業化示范項目,獲科技部中小企業技術創新基金項目資助;2017年獲山東省優秀節能成果獎; 2018年再次榮獲“光能杯”CREC“年度光伏電站優質部件企業”獎。2018年zoty中欧体育官方网站百兆級高壓水冷SVG成功通過中國電科院型式試驗檢測驗收。
35kV水冷直掛FGSVG系列產品采用現代電力電子、自動化、微電子及網絡通訊等技術,采用先進的瞬時無功功率理論和基于同步坐標變換的功率解耦算法,以設定的無功性質及大小、功率因數、電網電壓等為控制目標運行,動態的跟蹤電網電能質量變化調節無功輸出,并能實現曲線設定運行,提升電網質量。
易操作、高性能、高可靠性的FGSVG系列產品為滿足用戶對提高輸配電電網的功率因數、治理諧波、補償負序電流的迫切需求做出相應設計,具有以下特點:
● 快速響應,先人一步:全系列采用瞬時無功理論,控制器響應時間≤1ms,全功率響應時間≤5ms,特別適合于無功響應時間要求嚴格的場合,如軋鋼、煉鋼、提升類以及沖擊性負荷。
● 負序抑制,平衡系統:配電網中存在大量的三相不平衡負載,典型的如電力機車牽引負荷和交流電弧爐等。同時線路、變壓器等輸配電設備三相阻抗的不平衡也會導致電壓的不平衡問題產生。SVG能夠快速的補償由于負載不平衡所產生的負序電流,始終保證流入電網的三相電流平衡,大大提高了供用電的電能質量。
● 模式多樣,隨心所欲:具有多種運行模式,滿足用戶多種需求,運行模式有:恒裝置無功功率模式、恒考核點無功功率模式、恒考核點功率因數模式、恒考核點電壓模式、負序補償模式,可在線轉換運行模式,也可按照客戶需求編制運行曲線。
● 諧波治理,保證安全:裝置可有效補償13次及以下諧波,補償率最多可達92%,從而有效避免了保護及安全自動裝置誤動作;有效避免了電容器模組諧波及諧波電流放大,使電容器過負荷或過電壓,甚至燒毀;解決了增加變壓器損耗,引起變壓器發熱,以及導致電力設備發熱,電機力矩不穩甚至損壞的問題;避免了加速電力設備絕緣老化,易擊穿和降低電弧爐生產效率,增加損耗以及干擾通訊信號問題。
● 遠距送電,減損穩壓:在長距離輸電線路上安裝SVG裝置,不但可以在正常運行狀態下補償線路的無功損耗,抬高線路電壓,提高有效輸電容量,而且還可以在系統故障情況下提供及時的無功調節,阻尼系統振蕩,提高輸電系統穩定性。
● 精準補償,變罰為獎:很多現場因考核點功率因數低于供電局要求,勢必產生力調電費罰款。SVG可根據考核點設置的功率因數目標值,實時無級調節裝置補償的無功功率,使考核點的功率因數穩定在設定的目標值,杜絕因功率因數不達標而被罰款或者過度補償造成的電網不穩定現象發生,也杜絕了因過補、欠補帶來的經濟損失。
● 保護齊全,使用無憂:保護策略包括器件級保護、裝置級保護和系統級保護三級。器件級保護的動作時限不超過10us,在發現器件過流、過壓或驅動信號異常時,能夠迅速實施保護。裝置級保護的動作時限為0.5-1ms,當發現裝置有過載、直流電壓過高等異常工況時,便實施保護。系統級保護的動作時限為5-2000ms,當發現系統失壓、系統電壓過高、冷卻系統故障等異常工況時,便實施保護。
● 全程錄波,智能分析:主控系統不僅實時監測輸入電流、電壓,輸出電流、電壓,并實現其波形的顯示,還可對每相電壓、電流進行諧波分析,有助于用戶掌握設備的各種電量參數。
● 黑匣記錄,精準診斷:設備具有自動記錄運行狀態和顯示的功能,可查看保護前后共計200個點(100ms)的電流、電壓、運行頻率,方便日常維護及快速異常診斷。
● 接口豐富,即插即用:具有以太網、RS485、CAN、高速光纖等通訊接口,支持MODBUS_ RTU、 ProfiBUS、電力CDT91規約、IEC61850- 103/104、CANOPEN協議用戶自定義等通訊規約,可以實現遠程監控,無人值守。
● 模塊設計,簡便快捷:功率單元、供電電源、主控系統、二次配線等采用模塊化設計,便于規模化生產和現場安裝與維護。
● 安規在線,確保安全:全系風冷設備外部殼體完全按照安全規范設計,具有在線操作、易維護特點,在設備帶電運行時,無需停機停電,運維人員可以直接進行更換進風窗過濾棉、就地操作、就地查看運行數據等操作。
● 提前預警,運行無憂:主控制系統實時監測并顯示每個功率單元的溫度,當多個單元溫度超過設定警值時,給出聲光報警,提示用戶及時處理,以免出現散熱風機跳閘、濾網堵塞等問題。
● 多機協同,擴容無憂:SVG具有多個裝置并聯運行的接口,可滿足現場:1)現有補償容量不夠,擴容增加設備時,多臺SVG設備并聯運行,通過主從控制方式,使多套設備協同補償,宛如一套設備,實現擴容無憂; 2)正常運行方式時:每臺SVG單機獨立運行,故障運行方式時:多機自動轉為并聯運行模式,協同補償。
● 高低穿越,極端無懼:在用戶主電源電壓瞬時跌落、瞬時升高、廠用電網大負荷切換時,在國標允許的范圍內,電網恢復后SVG可快速的自動正常運行,無需人員操作,增強電網適應性,可適應不同深度的U0(100%-0%)電網跌落。
● 電壓閃變,波動可抑:在負荷急劇變化時,易產生電壓波動和閃變現象,比如電弧爐、軋機、氧氣站透平空壓機組等。SVG能夠根據電網電壓變化情況,快速的提供變化的無功電流,以補償負荷變化引起的電壓波動和閃變現象。
● 雙源供電,穩定可靠:控制電源采用380VAC、2200VAC或220VDC兩種電壓制式供電,并且兩種電源互為在線式熱備;若一路電源出現停電時,另一路可以無縫切換,繼續為控制電源供電,同時通過繼電保護電路報警和HMI(人機界面)顯示哪一路出現停電。
● 柜體防擾,電磁兼容:整機柜體采用抗干擾設計,通過相關機構檢測了靜電放電抗擾度試驗、浪涌(沖擊)抗擾度試驗、射頻電磁場輻射抗擾度試驗、電快速脈沖群抗擾度試驗等EMC試驗。
● 防塵防水 IP65:針對現場粉塵特別多,特別是導電粉塵較多,以及濕度水汽、鹽霧特別多的場合,我司特別研制了IP65防護等級的設備供客戶選擇。
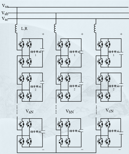
FGSVG高壓動態無功補償裝置由控制柜、功率柜、電抗器組成。控制柜主要控制箱、二次控制邏輯電路,其中控制箱通過光纖連接到功率單元。在功率柜里有三相功率單元,根據電網電壓等級不同,每相由若干個功率單元串聯組成,最后通過電抗器接入電網。

功率單元采用級聯式H橋電路結構,功率單元串聯,輸出疊加成高壓,通過電抗器接入電網;功率單元模塊化設計,各單元可以互換。

FGSVG控制系統采集電網電壓、電流信號,采用瞬時無功控制理論,快速計算出各功率單元的電流指令,并通過光纖傳給各功率單元。功率柜每相由若干個功率單元串聯,采用載波移相技術,各單元輸出電壓疊加,形成多電平高壓輸出,通過電抗器連接到電網,輸出可控的無功電流。
在交流電路中,電壓和電流的相位有三種情況,當負載呈現純電阻特性時,電壓和電流相位相同;當負載呈現電感特性時,電壓相位超前電流相位;當負載呈現電容特性時,電壓相位滯后電流相位。FGSVG高壓動態無功補償裝置基本原理就是將可控H橋電路通過電抗器并聯到電網上,適當調節橋式電路輸出電壓的幅值和相位,或者直接控制其輸出電流,使該電路吸收或者發出滿足電網需求的無功電流,實現動態無功補償的目的,如下表所示。

1.低電壓穿越技術
FGSVG高壓動態無功補償裝置通過持續的技術創新,開發設計了全性能低電壓穿越技術。無論三相短路故障、相間短路故障,還是低穿到90%或20%,FGSVG都可以提供額定的容性電流。對于不平衡低穿,zoty中欧体育官方网站提出了雙鎖相環、雙pq控制理論。
2017年我公司高壓動態無功補償裝置通過電力工業電氣設備質量檢驗測試中心全面測試。并網點A相電壓不變,B、C電壓瞬間跌落至20%,維持2s ,然后2s上升至額定,1min內重復三次,測試數據如下圖,測試結果符合要求。

2.諧波補償技術
在中頻爐、電解鋁等工礦企業,由于大功率、非線性負載的接入,導致低頻次電流諧波注入電網,嚴重時影響其它設備的穩定運行。我公司SVG采用離散傅氏變換的快速算法、瞬時無功理論算法,開發出了具有諧波補償功能的高壓動態無功補償裝置。由于SVG載波頻率較低(可提高運行效率),治理25次及以下頻次的諧波,諧波頻次越低補償率越高。

3.負序補償技術
電力系統中存在大量的不平衡負荷及一些單相大容量負荷,例如電氣化鐵路。這些負荷產生的負序、無功電流造成大量的電能損失,威脅著電力系統的安全和經濟運行。

我公司生產的角型鏈式SVG,是一種理想的補償治理方法,響應速度快,可進行無功、負序綜合治理。通過對補償電路的相量圖進行幾何分析,求解得到負序補償所需要的相電流相量,進而根據瞬時無功功率理論,推導出dq/△變換矩陣,可得到角型鏈式SVG負序補償所需的相電流指令信號。
4.多機并聯協調控制技術
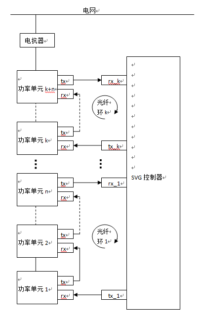
隨著電力系統容量的不斷增加,電力系統對無功補償裝置的容量需求也不斷增加,由于目前受IGBT技術和用戶分工期投運的制約,在現場會出現多臺SVG設備并聯在用一段母線運行,這就需要SVG設備能夠并聯運行,需要并聯運行各SVG可以自動功率平衡。
我公司發明了一種簡單、高效的SVG并聯運行環形光纖控制系統。并聯運行的SVG控制器通過光纖連接成環,并聯臺數不受控制器光纖接口個數的限制。環內可以使用不同功率等級的SVG,并自動平衡無功功率輸出,合理的利用各SVG出力。環內的任何一臺SVG都可以設置為主機,從機故障不影響其它SVG設備運行。

5.PT、CT接線自動分析技術
在現場,SVG通過現場的PT和CT,采集系統電壓和電流信號,PT接線直接影響SVG鎖相、并網,CT接線直接影響SVG對考核點無功、功率因數的計算。
我公司SVG具有PT、CT接線自動分析功能,使并網調試變得非常簡單、高效。

6.控制系統自檢技術
FGSVG系列高壓動態無功補償裝置,控制系統采用多片DSP+FPGA技術,控制系統復雜。為了整機可靠運行,使用DSP對控制箱內線路板進行上電自檢,假如控制箱內的線路板有問題,可以快速定位問題點,提高工作效率和產品智能化水平。

7.串行光纖通信技術
為了強電與弱電之間進行隔離,SVG控制器與各功率單元之間通過光纖連接。目前SVG控制器與功率單元之間的典型光纖連接方式是每個功率單元通過兩根光纖連接到SVG控制器。
我公司發明了一種串行光纖通信技術,并已經申請專利。SVG控制器與功率單元通過光纖連接成多個串行光纖通信回路,使SVG控制器的光纖接口數量和光纖的數量顯著減少,提高生產效率并降低故障率。

8.跟蹤響應速度快
FGSVG系列高壓動態無功補償裝置,通過南京電科院、武高所等第三方測試單位的測試,響應時間小于5ms。
跟蹤響應時間(突減)測量波形(上:系統 中:負載下:試品)
● 額定工作電壓:35kV;
● 額定容量:±5~±200Mvar;
● 輸出無功范圍:感性額定無功到容性額定無功范圍內連續變化;
● 響應時間:≤5ms;
● 過載能力:1.2倍過載1min;
● 輸出電壓總諧波畸變率(并網前):≤5%;
● 輸出電流總諧波畸變率THD:≤3%;
● 系統電壓不平衡保護,整定范圍:4%~10%;
● 效率:額定運行工況≥99.2%;
● 運行溫度:-20℃~+40℃;
● 貯存溫度:-40℃~+65℃;
● 人機界面:采用中英文可設置的彩色觸摸屏顯示;
● 相對濕度:月平均值不大于90﹪(25℃),無凝露;
● 冷卻方式:水冷;
● 安裝方式:戶內、集裝箱(可選);
● 海拔高度:﹤2000m(高于2000m需定制);
● 地震烈度:≤8度。
FGSVG系列產品可廣泛應用于石油化工、電力系統、冶金、電氣化鐵路、城市建設等行業中,為各種異步電動機、提升機、變壓器、晶閘管變流器、變頻器、感應爐、中頻爐、電弧爐、電阻爐、石英熔煉爐、電力機車、起重機、沖壓機、吊車、電梯、風力發電機、照明設備、電梯、電焊機、等設備提供高質量、高可靠性的無功補償及濾波的解決方案。
FGSVG系列產品可以增強電力傳輸能力、減小電能損耗、補償無功功率、治理諧波、抑制閃變、穩定電網電壓、平衡三相系統、改變系統的阻尼特性、提高系統的穩定性。

注:容量(Mvar)表示從感性無功到容性無功動態調節范圍內的額定最大調節容量。例如C2.0/10,表示:直掛式10kV、容量為±2Mvar的裝置。能夠在+2000kvar(感性)到-2000kvar(容性)范圍內對無功進行連續平滑調節。